Vacuum consolidation
With the intent of maintaining wood quality, slowing down the aging process, and to avoid rotting, we use the vacuum consolidation process. Read more about our process below.
With the intent of maintaining wood quality, slowing down the aging process, and to avoid rotting, we use the vacuum consolidation process. Read more about our process below.
e developed vacuum impregnation-consolidation of wooden objects with the help of leading experts. Vacuum impregnation protects and consolidates wood which is in poor condition. The procedure enables the use of different consolidators and provides impregnation along the entire thickness of the object.
Wood is a natural material and is as such extremely prone to degradation, especially when insects and fungi come into contact with it. Damage which occurs significantly changes basic properties of the wood. Damage may be so severe that it endangers further existence of the object.

For preservation
of the most damaged elements restorers began with manual consolidation of poor wood with the help of glues and natural and artificial resins. Manual consolidation is successful with elements of smaller volume, because in manual application the consolidator does not penetrate through the entire object. Only the outer layer is consolidated in manual impregnation-consolidation of larger objects while the inside layers are not.
Vacuum impregnation
gives excellent results. The more damaged the wood the better the results. It is also an interesting data that a piece of wood prior to impregnation weighed 1 kg and immediately after impregnation it weighed 2.38 kg. After conditioning and maturation the object weighed 1.37 kg. The increase in weight was due to the impregnant which consolidated the object.
(Authors: Mateja Golež, Luka Škrlep, Janko Čretnik, Alenka Mauko, ZAG)

Non-impregnated wood sample

Impregnated wood sample

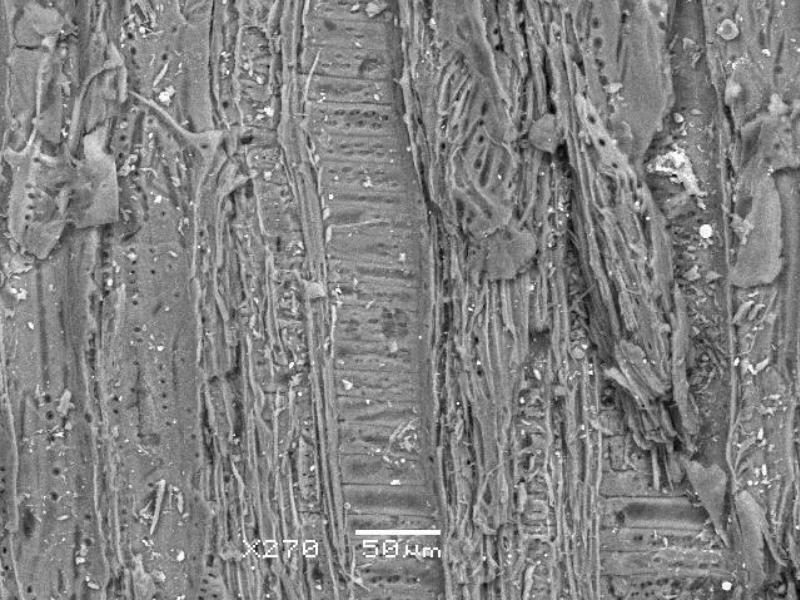
SEM micro recording of wood fibres

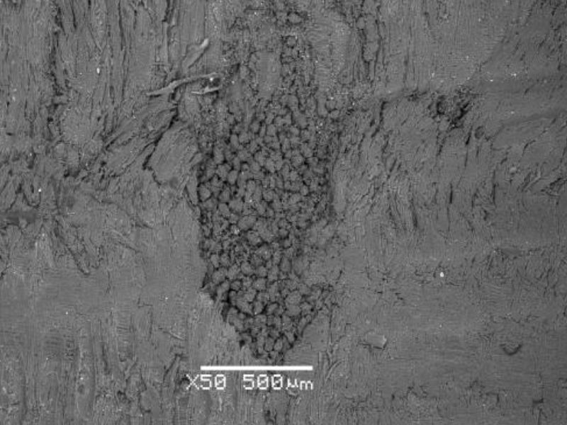
A pore after impregnation

Colour polygon of the depth of damage to the wooden object. The dark blue demonstrates the deepest damage – 3.5 mm

Filling the pore with impregnation agent
On the right side you can see an inquiry form for our services. Please describe your wishes as detailed as you can and we will reply with our offer as soon as we can.